РК-450, РК-500, РК-600
Назначение:
Редукторы специальные крановые РК-450, РК-500, РК-600 предназначены для изменения крутящих моментов и частоты вращения.
Условия применения редукторов:
Редукторы применяются при работе в повторно-кратковременном режиме, т.е. при переменных нагрузках с периодическими остановками; допускается их длительная работа с постоянной нагрузкой;
- работа при нагрузке одного направления и реверсивной;
- вращение валов в любую сторону с частотой вращения входного вала не более 1500 об/мин. и окружной скоростью не более 12 м/сек.;
- атмосферa типов I и II по ГОСТ 15150-69 при запыленности воздуха не более 10 мг/куб.м.
- климатические исполнения: У, Т для категории размещения 1...3 и климатические исполнения УХЛ и О для категории размещения 4 по ГОСТ 15150-69.
Пример записи условного обозначения редуктора типа РК с межосевым расстоянием выходной ступени 500 мм., номинальным передаточным числом 50, вариантом сборки 12 :
- с цилиндрическим концом выходного вала, климатическим исполнением У1, У2, У3, УХЛ4 - редуктор РК-500-50-12 У1;
- то же с концом выходного вала в виде части зубчатой муфты - редуктор РК-500-50-12МУ1;
- то же с климатическим исполнением Т1, Т2, Т3, 04 - редуктор РК-500-50-12МТ1.
В обозначении редуктора РК-600 указывается число зубьев зубчатой муфты: редуктор РК-600-50-12МТ1-48.
Технические характеристики
| Передаточное число | Номинальное Фактическое |
8 8,23 |
10 10,35 |
12,5 12,64 |
16,0 15,75 |
20,0 20,49 |
22,4 23,34 |
31,5 31,50 |
40,0 41,52 |
50,0 48,57 |
|---|---|---|---|---|---|---|---|---|---|---|
| Частота вращения, об/мин | Режим работы | Допускаемый крутящий момент на выходном валу редуктора, кНм | ||||||||
| РК-450 | ||||||||||
| 600 | Особо легкий ПВ-15% ПВ-25% ПВ-40% |
25,02 18,43 15,99 13,55 |
28,84 19,68 17,09 14,50 |
33,19 21,94 19,07 16,21 |
38,33 23,44 20,51 17,33 |
39,98 23,80 20,75 17,70 |
39,99 23,93 20,85 17,77 |
42,78 24,51 21,15 18,03 |
44,56 23,50 20,45 17,40 |
48,83 24,42 21,36 17,93 |
| 750 | Особо легкий ПВ-15% ПВ-25% ПВ-40% |
22,95 16,41 14,26 12,10 |
26,25 17,94 15,62 13,31 |
30,52 19,38 16,78 14,34 |
35,55 20,90 18,16 15,43 |
38,82 23,19 20,26 17,09 |
39,10 22,97 19,96 16,95 |
32,40 23,07 20,00 17,11 |
43,95 23,19 20,02 17,09 |
45,78 24,41 21,06 18,01 |
| 1000 | Особо легкий ПВ-15% ПВ-25% ПВ-40% |
22,89 15,38 - - |
26,90 17,05 14,88 12,59 |
31,50 17,78 15,53 13,18 |
37,54 19,78 17,21 14,65 |
37,53 19,89 17,43 14,77 |
40,66 20,76 18,17 15,29 |
42,53 22,73 19,80 16,86 |
44,86 23,35 20,14 16,94 |
|
| 1250 | Особо легкий ПВ-15% ПВ-25% ПВ-40% |
23,81 14,83 13,00 10,99 |
28,13 16,17 14,06 11,95 |
33,69 18,02 15,82 13,48 |
36,10 17,88 15,59 13,13 |
39,68 18,46 16,15 13,61 |
41,90 21,39 18,75 15,82 |
43,58 21,24 18,68 15,75 |
||
| 1500 | Особо легкий ПВ-15% ПВ-25% ПВ-40% |
25,88 14,65 12,70 10,84 |
31,13 16,48 14,40 12,21 |
33,50 16,41 14,22 12,17 |
38,45 16,54 14,42 12,11 |
40,28 19,29 16,85 14,40 |
43,03 19,84 17,09 14,65 |
|||
| РК-500 | ||||||||||
| 600 | Особо легкий ПВ-15% ПВ-25% ПВ-40% |
51,27 29,54 25,63 21,73 |
51,88 30,28 26,86 22,74 |
54,36 32,81 28,61 24,22 |
57,38 35,16 30,52 25,88 |
58,29 32,96 28,69 24,42 |
57,77 32,13 28,03 23,58 |
59,60 35,09 30,28 25,96 |
62,87 32,35 28,08 23,80 |
64,85 33,57 29,37 24,80 |
| 750 | Особо легкий ПВ-15% ПВ-25% ПВ-40% |
48,34 25,78 22,46 19,04 |
50,66 28,81 25,02 21,24 |
53,41 30,52 33,99 31,98 |
56,64 33,99 29,49 23,44 |
57,38 31,98 27,83 23,68 |
57,42 31,72 27,62 23,52 |
60,37 33,84 29,61 25,00 |
62,01 32,23 27,83 23,68 |
64,70 35,57 28,99 24,27 |
| 1000 | Особо легкий ПВ-15% ПВ-25% ПВ-40% |
51,50 27,01 23,46 19,91 |
54,20 28,27 24,61 20,95 |
55,85 29,66 25,82 21,97 |
55,37 30,35 26,46 22,56 |
59,12 33,17 28,84 24,51 |
61,16 31,49 27,47 23,44 |
61,16 31,49 27,47 23,44 |
||
| 1250 | Особо легкий ПВ-15% ПВ-25% ПВ-40% |
54,20 28,71 25,05 21,24 |
54,14 28,22 24,61 21,01 |
57,58 29,30 25,61 21,92 |
60,06 30,76 26,66 22,56 |
63,36 32,59 28,57 24,17 |
||||
| 1500 | Особо легкий ПВ-15% ПВ-25% ПВ-40% |
52,64 25,43 22,15 18,77 |
57,68 26,34 22,88 19,42 |
58,60 29,79 25,88 21,97 |
62,56 31,43 27,47 23,19 |
|||||
| РК-600 | ||||||||||
| 600 | Особо легкий ПВ-15% ПВ-25% ПВ-40% |
51,88 43,34 37,84 31,74 |
56,46 46,54 40,44 34,33 |
69,62 51,50 44,28 38,15 |
80,57 54,93 48,34 41,02 |
90,03 56,46 49,13 41,81 |
90,58 56,74 49,22 41,70 |
96,13 58,16 50,95 42,78 |
95,22 55,54 48,22 40,89 |
101,47 57,22 49,,59 42,73 |
| 750 | Особо легкий ПВ-15% ПВ-25% ПВ-40% |
51,88 42,73 37,23 31,74 |
64,09 46,54 39,67 33,57 |
74,22 49,81 42,97 36,72 |
86,67 54,93 47,85 40,53 |
88,87 53,60 46,76 39,65 |
96,13 55,37 47,68 40,38 |
94,73 54,69 47,85 40,53 |
99,46 57,38 50,05 42,12 |
|
| 1000 | Особо легкий ПВ-15% ПВ-25% ПВ-40% |
65,92 42,48 36,62 31,50 |
77,82 46,69 40,28 34,43 |
83,06 48,20 42,04 35,48 |
90,85 49,03 42,68 36,34 |
91,56 53,47 46,51 39,55 |
96,13 53,56 47,61 40,28 |
|||
| 1250 | Особо легкий ПВ-15% ПВ-25% ПВ-40% |
73,83 41,84 36,10 31,01 |
88,83 43,84 37,84 32,07 |
87,89 49,81 43,95 37,21 |
93,39 51,27 43,95 37,35 |
|||||
| 1500 | Особо легкий ПВ-15% ПВ-25% ПВ-40% |
85,56 38,83 33,84 28,65 |
85,45 45,90 39,80 33,69 |
91,56 46,08 40,28 34,18 |
||||||
- при длительной работе с постоянной нагрузкой величина нагрузки должна быть уменьшена на 50% по сравнению с режимом ПВ = 40%;
- допускаемая радиальная консольная нагрузка на двухконцевые валы уменьшается в 2 раза.
Варианты сборки
- 11,12,21,22,31,32 - c концами валов под муфты или в виде части зубчатой муфты;
- 13,23,33 - с концами валов под муфты
Габаритные и присоединительные размеры
| Редуктор | Межосевые расстояния | L | L1 | L2 | l | l1 | l2 | l3 | l4 | l5 | |
|---|---|---|---|---|---|---|---|---|---|---|---|
| awт | awб | ||||||||||
| РК-450 | 300 | 450 | 1500 | 450 | 475 | 1030 | 620 | 275 | 230 | 491 | 525 |
| РК-500 | 350 | 500 | 1640 | 510 | 550 | 1120 | 610 | 300 | 205 | 546 | 530 |
| РК-600 | 400 | 600 | 1900 | 550 | 595,5 | 1360 | 870 | 350 | 250 | 639 | 645 |
Продолжение таблицы
| Редуктор | B | B1 | B2 | B3 | H | H1 | H2 | h | d | Масса, кг |
|---|---|---|---|---|---|---|---|---|---|---|
| РК-450 | 510 | 450 | 510 | 356 | 743 | 320 | 130 | 35 | 25 | 1030 |
| РК-500 | 580 | 520 | 580 | 408 | 875 | 400 | 105 | 35 | 32 | 1230 |
| РК-600 | 660 | 590 | 660 | 472 | 965 | 400 | 200 | 40 | 32 | 2130 |
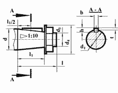
Размеры быстроходных валов редукторов

| Редуктор | d1 | d2 | d3 | d4 | l1 | l2 | b | h | t |
|---|---|---|---|---|---|---|---|---|---|
| РК-450 | 60 | 54,75 | M42 x 3 | £ 94 | 140 | 105 | 16 | 10 | 6 |
| РК-500 | 90 | 83,50 | M64 x 4 | £ 130 | 170 | 130 | 22 | 14 | 9 |
| РК-600 | 90 | 83,50 | M64 x 4 | £ 130 | 170 | 130 | 22 | 14 | 9 |
Размеры тихоходных валов редукторов - под муфты

| Редуктор | d | d1 | d0 | b | l | t | |||
|---|---|---|---|---|---|---|---|---|---|
| РК-450 |
|
130 | M16 | 28 | 165 | 120 | |||
| РК-500 | 130 m 6 | 150 | M20 | 32 | 200 | 141 | |||
| РК-600 | 150 m 6 | 170 | M20 | 36 | 200 | 162 |
Размеры тихоходных валов редукторов - в виде зубчатой муфты

| Редуктор | Зацепление | L, не менее | l | K | B | d (пред. откл. по F7) | d1 (пред. откл. по e8) | ||
|---|---|---|---|---|---|---|---|---|---|
| m | z | b | |||||||
| РК-450 | 6 | 56 | 40 | 75 | 16 | 32 | 68 | 170 | 260 |
| РК-500 | 8 | 54 | 50 | 73 | 22 | 40 | 78 | 190 | 260 |
| РК-600 | 10 | 48 | 60 | 70 | 16 | 50 | 85 | 200 | 280 |
| 8 | 54 | 50 | 22 | 40 | 78 | 190 | 260 | ||



